В избранное На сайт О компании Услуги Магазин кровли Контакты Наши работы


Проектирование кровли Вопросы, связанные с проектированием крыши. Архитектура и расчеты. Типовые и индивидуальные проекты.

Ответ
 
Опции темы Поиск в этой теме
Старый 20.07.2016, 21:15   #11
DRAGOFOL
Супер консультант
 
Аватар для DRAGOFOL
 
Регистрация: 11.11.2011
Сообщений: 1,736
Images: 24
Сказал(а) спасибо: 1,124
Поблагодарили: 970 раз(а)
Репутация: 40367

Re: Вентилируемый конек или аэраторы

Цитата:
Сообщение от Sunduk Посмотреть сообщение
Позвольте спросить. Ендова разве мешает, выполнению кровельного пирога по данной технологии?
Попробуйте представить, как будет лежать мембрана в месте соединения накосных ног и балки ендовы.
__________________
Надёжность крыши определяется её самым слабым местом...
DRAGOFOL вне форума   Ответить с цитированием
Старый 20.07.2016, 23:20   #12
сизов
Супер консультант
 
Пол: Мужчина
Регистрация: 10.12.2012
Адрес: Тула
Сообщений: 743
Сказал(а) спасибо: 807
Поблагодарили: 738 раз(а)
Репутация: 39913

Re: Вентилируемый конек или аэраторы

Цитата:
Сообщение от DRAGOFOL Посмотреть сообщение
Попробуйте представить, как будет лежать мембрана в месте соединения накосных ног и балки ендовы.
Особенно "удобно" там рейки и пленку крепить.. По_моему у ребят из Пензы было что_то подобное года 3 нащад.
сизов вне форума   Ответить с цитированием
Старый 19.08.2016, 07:35 Автор темы
  #13
derner
Новичок
 
Пол: Мужчина
Регистрация: 12.07.2016
Сообщений: 5
Сказал(а) спасибо: 6
Поблагодарили: 0 раз(а)
Репутация: 10

Re: Вентилируемый конек или аэраторы

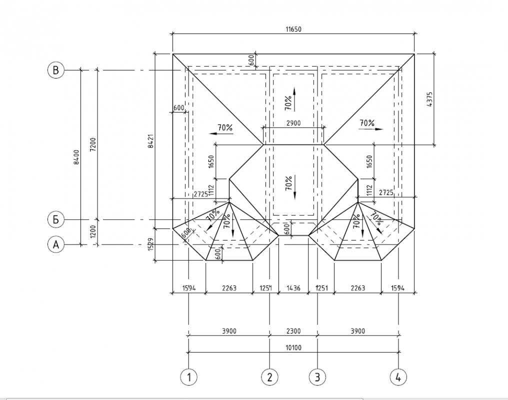
Подошли к монтажу проходных элементов, возник вопрос куда лучше установить два "грибка" вентиляции они у меня будут вентилировать котельную и ванну. Есть ли какие обязательные условия на этот счёт?
Миниатюры
Нажмите на изображение для увеличения
Название: 2016-08-19_07-34-04.jpg
Просмотров: 2063
Размер:	67.2 Кб
ID:	18558  
derner вне форума   Ответить с цитированием
Старый 20.08.2016, 08:33   #14
Lex
Administrator
 
Аватар для Lex
 
Пол: Мужчина
Регистрация: 24.01.2005
Адрес: Троицк, Москва
Сообщений: 6,560
Images: 75
Сказал(а) спасибо: 2,152
Поблагодарили: 1,034 раз(а)
Репутация: 39564

Отправить сообщение для Lex с помощью ICQ Отправить сообщение для Lex с помощью Skype™
Re: Вентилируемый конек или аэраторы

derner,
Цитата:
Сообщение от derner Посмотреть сообщение
куда лучше установить два "грибка" вентиляции они у меня будут вентилировать котельную и ванну.
То есть - это не подкровельная вентиляция? Если так, то устанавливайте проходные элементы в местах где она спроектирована.
Какие проходные элементы намерены использовать?
__________________
Консультации по строительству теплой мансардной крыши alex385@yandex.ru

ДЛЯ ДОСТУПА В ЗАКРЫТЫЙ РАЗДЕЛ ПИШИТЕ НА tatka385@yandex.ru
Lex вне форума   Ответить с цитированием
Пользователь сказал cпасибо:
derner (20.08.2016)
Старый 20.08.2016, 12:09 Автор темы
  #15
derner
Новичок
 
Пол: Мужчина
Регистрация: 12.07.2016
Сообщений: 5
Сказал(а) спасибо: 6
Поблагодарили: 0 раз(а)
Репутация: 10

Re: Вентилируемый конек или аэраторы

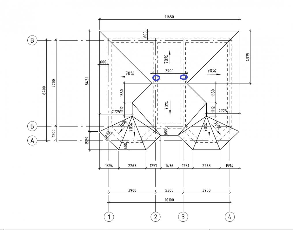
Цитата:
Сообщение от Lex Посмотреть сообщение
То есть - это не подкровельная вентиляция?
Нет, это вентиляция комнат дома.
Каких то обязательных условий по установке у меня в проекте нет, есть только рекомендации: Установить на самом большом скате ближе к коньку, как я это понял изобразил на рисунке синим цветом.
Цитата:
Какие проходные элементы намерены использовать?
Vilpe 110/500 вентил труба для канализ коричневая
Vilpe Колпак 110 коричневый С102974
ViLPE Проходной элемент д/мягк.кр.HUOPA 14200
Миниатюры
Нажмите на изображение для увеличения
Название: 2016-08-19_07-34-04.jpg
Просмотров: 2058
Размер:	67.6 Кб
ID:	18559  
derner вне форума   Ответить с цитированием
Старый 22.08.2016, 09:11   #16
Lex
Administrator
 
Аватар для Lex
 
Пол: Мужчина
Регистрация: 24.01.2005
Адрес: Троицк, Москва
Сообщений: 6,560
Images: 75
Сказал(а) спасибо: 2,152
Поблагодарили: 1,034 раз(а)
Репутация: 39564

Отправить сообщение для Lex с помощью ICQ Отправить сообщение для Lex с помощью Skype™
Re: Вентилируемый конек или аэраторы

derner, на канализацию нужно ставить изолированный проходной элемент и не применять колпак. Хотя, можно установить его для эстетики, но нужно вырезать верхушку.
__________________
Консультации по строительству теплой мансардной крыши alex385@yandex.ru

ДЛЯ ДОСТУПА В ЗАКРЫТЫЙ РАЗДЕЛ ПИШИТЕ НА tatka385@yandex.ru
Lex вне форума   Ответить с цитированием
2 пользователя(ей) сказали cпасибо:
derner (22.08.2016), Алекс. (18.10.2016)
Старый 29.08.2016, 21:33   #17
ben
Ветеран сообщества
 
Аватар для ben
 
Пол: Мужчина
Регистрация: 13.10.2008
Адрес: Украина
Сообщений: 2,414
Images: 8
Сказал(а) спасибо: 419
Поблагодарили: 970 раз(а)
Репутация: 48684

Отправить сообщение для ben с помощью Skype™
Re: Вентилируемый конек или аэраторы

derner, если не секрет, где объект? Проект на вентиляцию есть?
ben вне форума   Ответить с цитированием
Ответ


Ваши права в разделе
Вы не можете создавать новые темы
Вы не можете отвечать в темах
Вы не можете прикреплять вложения
Вы не можете редактировать свои сообщения

BB коды Вкл.
Смайлы Вкл.
[IMG] код Вкл.
HTML код Выкл.

Быстрый переход


Текущее время: 16:58. Часовой пояс GMT +3.